Can't read ECU for state inspection
Thread Starter
Junior Member
iTrader: (7)
Joined: Mar 2012
Posts: 356
Total Cats: 31
From: Gilbert, Az
Hey guys, sorry for putting this here, but I "think" it's Megasquirt related:
Putting my car back to OBD-II compliance from my MS2 (Rev built) for state inspection I've got all the stock sensors and ecu hooked up (except the rear o2), but I'm unable to read OBD readiness/status/anything from the OBD port.
My bluetooth dongle gets power, and connects fine to my phone, but the status reads "Unable to communicate with ECU". I took it to O'Reilly to verify and their equipment does the same: tries to read the ecu and after 45-50 seconds times out and says unable to connect.
The car starts/runs fine, other than throwing a "check engine" light after about 15 minutes of operation, I'm assuming because of the lack of rear o2. I haven't made any changes to the stock wiring harness, and I can't think of anything that might cause the ecu to work properly yet not communicate with the OBD port.
Has anyone run into this issue before? I guess I can try to get ahold of a 99-00 federal ecu to see if it's anything internal. I opened up the case & took out the stock ecu's circuit board, but didn't see anything obviously broken/wrong.
Any suggestions would be really helpful, I'm kinda at a loss where to go from here.
Putting my car back to OBD-II compliance from my MS2 (Rev built) for state inspection I've got all the stock sensors and ecu hooked up (except the rear o2), but I'm unable to read OBD readiness/status/anything from the OBD port.
My bluetooth dongle gets power, and connects fine to my phone, but the status reads "Unable to communicate with ECU". I took it to O'Reilly to verify and their equipment does the same: tries to read the ecu and after 45-50 seconds times out and says unable to connect.
The car starts/runs fine, other than throwing a "check engine" light after about 15 minutes of operation, I'm assuming because of the lack of rear o2. I haven't made any changes to the stock wiring harness, and I can't think of anything that might cause the ecu to work properly yet not communicate with the OBD port.
Has anyone run into this issue before? I guess I can try to get ahold of a 99-00 federal ecu to see if it's anything internal. I opened up the case & took out the stock ecu's circuit board, but didn't see anything obviously broken/wrong.
Any suggestions would be really helpful, I'm kinda at a loss where to go from here.
Thread Starter
Junior Member
iTrader: (7)
Joined: Mar 2012
Posts: 356
Total Cats: 31
From: Gilbert, Az
Okay, a little more diagnostic info (Plus diagrams, hopefully this will help someone out one day if they have the same issue):
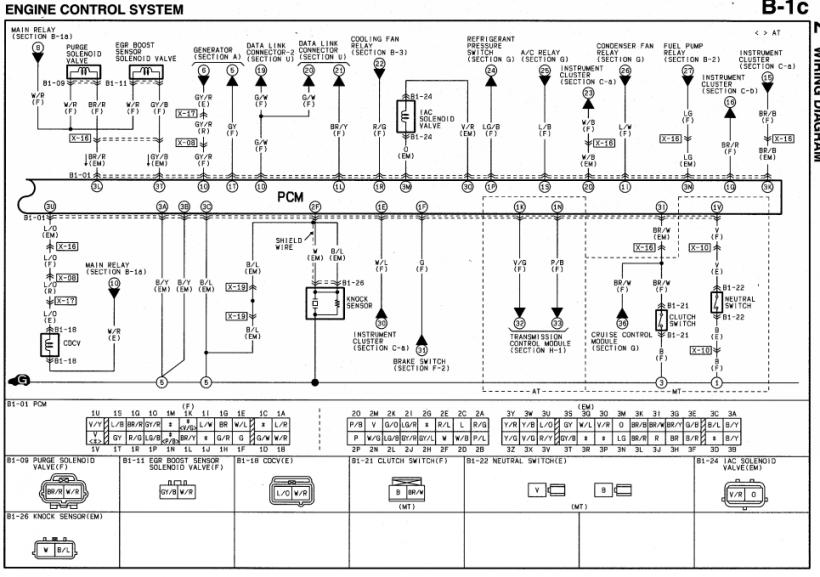
I ran down the wiring diagrams, according to these for a 99-00, the "data" should come from ecu pin 1D (Green/White wire), and run into the under-hood connector closest to the passenger side & rear of the car, and also to the OBD-2 connector in the cabin (also the Green/White wire):


I pulled the harness from the ECU, and tested the connection between the ecu and the OBD-2 port: No connectivity.

Then I tested the ecu -> under-hood diagnostic port, and there IS connectivity:

Last I tested the connection between the under-hood port, and the OBD-2 port: Also no connectivity
Then I ran a wire from the under-hood port, back-probed into the OBD-2 port and SUCCESS: my BlueTooth reader connects and communicates great with the ecu with the jumper wire from the under-hood to OBD port.
So... good news is: I've got a broken wire/connection, bad news is: I've got a broken wire/connection.
I traced the wire back from the OBD port, and the furthest back I can get is about 8 inches from the plug where it joins with a giant wiring harness and disappears beneath the dash to places unknown. Does anyone have any idea where this wire goes? I can't imagine it has much distance to run, considering it's about 12 inches from the ECU harness to the OBD port.
Again, I haven't touched a wire on the stock harness since I last used this BlueTooth reader about a year ago when it worked fine. I have no idea how just this one wire could've gotten broken, you'd think whatever caused it to go bad would've gotten the power/ground wires as well.
I guess I could hack it and just run a jumper wire, but I'd really like to figure out wtf happened and fix it.
I ran down the wiring diagrams, according to these for a 99-00, the "data" should come from ecu pin 1D (Green/White wire), and run into the under-hood connector closest to the passenger side & rear of the car, and also to the OBD-2 connector in the cabin (also the Green/White wire):


I pulled the harness from the ECU, and tested the connection between the ecu and the OBD-2 port: No connectivity.

Then I tested the ecu -> under-hood diagnostic port, and there IS connectivity:

Last I tested the connection between the under-hood port, and the OBD-2 port: Also no connectivity
Then I ran a wire from the under-hood port, back-probed into the OBD-2 port and SUCCESS: my BlueTooth reader connects and communicates great with the ecu with the jumper wire from the under-hood to OBD port.
So... good news is: I've got a broken wire/connection, bad news is: I've got a broken wire/connection.
I traced the wire back from the OBD port, and the furthest back I can get is about 8 inches from the plug where it joins with a giant wiring harness and disappears beneath the dash to places unknown. Does anyone have any idea where this wire goes? I can't imagine it has much distance to run, considering it's about 12 inches from the ECU harness to the OBD port.
Again, I haven't touched a wire on the stock harness since I last used this BlueTooth reader about a year ago when it worked fine. I have no idea how just this one wire could've gotten broken, you'd think whatever caused it to go bad would've gotten the power/ground wires as well.
I guess I could hack it and just run a jumper wire, but I'd really like to figure out wtf happened and fix it.
Thread Starter
Junior Member
iTrader: (7)
Joined: Mar 2012
Posts: 356
Total Cats: 31
From: Gilbert, Az
Now that I think about it, I did tap into the stock wiring harness for +12v at the cigarette lighter, and also into the little harness at the air-bag display in the center console for a switched +12v (one of my gauges dims with the headlights being turned on). I doubt any of these would've caused that wire to get broken considering I just tapped into the existing wires and didn't cut any.
Thread Starter
Junior Member
iTrader: (7)
Joined: Mar 2012
Posts: 356
Total Cats: 31
From: Gilbert, Az
I found the connector hanging under the dash with a green/wht wire and probed both sides, and there is continuity with the data wire on the OBD port, but NOT with the ecu nor the under-hood data port.
Not sure what else there could be to test, or why just this one wire would be bad. I think I'm just going to jumper straight from the under-hood port to the OBD port. I'd go straight to the ECU, but there's not enough slack in the harness to reliably tap the connection way up there behind the dash.
Thread
Thread Starter
Forum
Replies
Last Post
stoves
Suspension, Brakes, Drivetrain
5
Apr 21, 2016 03:00 PM





