NA Miata bushings dimensions
Hey fellas,
Im looking for dimensions of miata bushings (control arms mostly, but all will do). I intend on sandblasting and such the rear subframe and this appears to be a nice thing to replace as well. Front comes next.
But since the polybushes are a bit too expensive I intend on fabbing them on my own from ready made components.
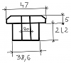
And since sharing is caring , I'll share what I have, all units are in mm and the inner metal tube diameter is 1cm.
This is for rear upper control arms - all 3 bushings should be the same.
Im looking for dimensions of miata bushings (control arms mostly, but all will do). I intend on sandblasting and such the rear subframe and this appears to be a nice thing to replace as well. Front comes next.
But since the polybushes are a bit too expensive I intend on fabbing them on my own from ready made components.
And since sharing is caring , I'll share what I have, all units are in mm and the inner metal tube diameter is 1cm.
This is for rear upper control arms - all 3 bushings should be the same.
Thread
Thread Starter
Forum
Replies
Last Post
Frank_and_Beans
Supercharger Discussion
13
Sep 12, 2016 08:17 PM





