new guy: HUGE problem: miata died randomly and wont even crank
hi guys, my name is denis from sacramento ca, im just your typical 17 year old, i drive a 95 miata but currently it died on me, i would really appreciate the help and as much of it as i can get.
problem description: i was cruising around a couple days ago and then parked my car for a few minutes, when i got back and tried to start the car, absolutely nothing happened, no cranking, no sound from the starter, absolutely nothing.
i push started the car and it was working as usual, but when i turned it off and tried starting again nothing happened
the next day i got to working on the car, thinking its the starter i took off the old one so i could switch it out for a new one, in the process of doing so i forgot to unplug the battery (stupid stupid me) anyhow i started unbolting the positive lead on the starter solenoid and accidentally shorted it out, when i put in the new starter i went ahead and tried starting the car and still nothing, i checked out all the fuses in the kick panel (pulled them out visually inspected and with a multimeter, all were good, i then checked out the ones in the engine bay, and those were good too.
in hopes of solving my problem i went ahead and cleaned the ignition switch, the clutch safety switch and all of the fuses, still nothing.
when i turn the ignition, all the dash lights come on so i know its not the main fuse
i am completely stumped, for the past three days ive been trying to solve this and have not found anything, ive searched everywhere, looked through the internet with no luck
please please please if anyone knows what this could be and how to solve it let me know asap i would greatly appreciate it
ps i have a new battery so i doubt that can be my problem
problem description: i was cruising around a couple days ago and then parked my car for a few minutes, when i got back and tried to start the car, absolutely nothing happened, no cranking, no sound from the starter, absolutely nothing.
i push started the car and it was working as usual, but when i turned it off and tried starting again nothing happened
the next day i got to working on the car, thinking its the starter i took off the old one so i could switch it out for a new one, in the process of doing so i forgot to unplug the battery (stupid stupid me) anyhow i started unbolting the positive lead on the starter solenoid and accidentally shorted it out, when i put in the new starter i went ahead and tried starting the car and still nothing, i checked out all the fuses in the kick panel (pulled them out visually inspected and with a multimeter, all were good, i then checked out the ones in the engine bay, and those were good too.
in hopes of solving my problem i went ahead and cleaned the ignition switch, the clutch safety switch and all of the fuses, still nothing.
when i turn the ignition, all the dash lights come on so i know its not the main fuse
i am completely stumped, for the past three days ive been trying to solve this and have not found anything, ive searched everywhere, looked through the internet with no luck
please please please if anyone knows what this could be and how to solve it let me know asap i would greatly appreciate it
ps i have a new battery so i doubt that can be my problem
Joined: Sep 2005
Posts: 34,416
Total Cats: 7,531
From: Chicago. (The less-murder part.)
This is the part where he kills you with the mashy spike plate.
No, wait.
This is the part where it starts tracing through the starting circuit one connection at a time.
It ignores the fuses, as they are irrelevant to the operation of the starter.
It places a voltmeter across the two battery terminals to ensure that the battery voltage remains above 11v or so while attempting to start the car.
It unplugs the clutch interlock switch and places a meter between the blk/blu wire and ground. It checks to see that +12 is present when the key is turned to Start.
It re-installs the clutch switch, and disconnects the blk/red wire (skinny wire) from the starter. It measures between the blk/red wire and ground to see that +12 is present when the key is turned to Start and the clutch switch is depressed.
If both of these tests pass, then it suspects one switch or the other of having failed in a high-resistance state. It begins by jumpering across the two terminals of the clutch switch and attempting to start the car. Failing this, it removes the jumper and applies 12v directly to the blk/red wire at the clutch switch connector, such as from a temporary wire connected to the blue auxillary power connector under the hood near the driver's side shock tower. (It makes certain not to accidentally short this wire to ground.)
No, wait.
This is the part where it starts tracing through the starting circuit one connection at a time.
It ignores the fuses, as they are irrelevant to the operation of the starter.
It places a voltmeter across the two battery terminals to ensure that the battery voltage remains above 11v or so while attempting to start the car.
It unplugs the clutch interlock switch and places a meter between the blk/blu wire and ground. It checks to see that +12 is present when the key is turned to Start.
It re-installs the clutch switch, and disconnects the blk/red wire (skinny wire) from the starter. It measures between the blk/red wire and ground to see that +12 is present when the key is turned to Start and the clutch switch is depressed.
If both of these tests pass, then it suspects one switch or the other of having failed in a high-resistance state. It begins by jumpering across the two terminals of the clutch switch and attempting to start the car. Failing this, it removes the jumper and applies 12v directly to the blk/red wire at the clutch switch connector, such as from a temporary wire connected to the blue auxillary power connector under the hood near the driver's side shock tower. (It makes certain not to accidentally short this wire to ground.)
i checked the battery and its showing 12.5-12.8v, i believe i have checked the clutch switch with the multimeter but ill check again tomorrow for good measure,
thanks for the info i will definately check out what i can do tomorrow
and by this : Failing this, it removes the jumper and applies 12v directly to the blk/red wire at the clutch switch connector; do you mean the connector that is on the starter itself on the clutch switch?
thanks for the info i will definately check out what i can do tomorrow
and by this : Failing this, it removes the jumper and applies 12v directly to the blk/red wire at the clutch switch connector; do you mean the connector that is on the starter itself on the clutch switch?
Joined: Sep 2005
Posts: 34,416
Total Cats: 7,531
From: Chicago. (The less-murder part.)
That voltage be applied upon its black and red wire, shall it be supplied unto the starter. Yea, unless a discontinuity exists along its path, the solenoid be engaged. Verily then shall ye know the truth.
it removes the jumper and applies 12v directly to the blk/red wire at the clutch switch connector, such as from a temporary wire connected to the blue auxillary power connector under the hood near the driver's side shock tower
Joined: Sep 2005
Posts: 34,416
Total Cats: 7,531
From: Chicago. (The less-murder part.)
1: The clutch interlock switch,
2: The keyswitch, or
3: The wiring which conjoins these things.
The next step is to put a jumper across the two terminals of the clutch switch connector (join the blk/blu and blk/red wires together) and try to start the car. If it starts, then you have a bad clutch switch.
If it does not start, then the clutch switch is probably fine and the problem is most likely in the key switch. You can test for that by unplugging the big connector from the back of the keyswitch and jumpering between the white and blk/blu wires. If this causes the starter to turn (assuming the clutch switch is either jumpered out or the clutch pedal is depressed) then you have a bad keyswitch.
For what it's worth, I have always permanently jumpered out the clutch switches in my Miatas. Not because they failed, but because they annoy me. So if the clutch switch does turn out to be the problem, just screw it and leave the jumper in place permanently.
(Note: if you follow my advice above about disabling a critical safety feature, you will almost certainly wind up causing an accident which kills and injures a bunch of people and causes massive property damage- you might even start a war. This suggestion should absolutely not be followed by anyone under any circumstances.)
(Note: if you follow my advice above about disabling a critical safety feature, you will almost certainly wind up causing an accident which kills and injures a bunch of people and causes massive property damage- you might even start a war. This suggestion should absolutely not be followed by anyone under any circumstances.)
Joined: Sep 2005
Posts: 34,416
Total Cats: 7,531
From: Chicago. (The less-murder part.)
Well, whenever you depress the clutch, you are exerting a thrust load on the crankshaft. When the engine is turning on the starter, this load is being applied to a bearing which is not receiving any lubrication. The underlying theory is that with the stronger pressure plate in the FM kits, the thrust load is so great that it *might* cause accelerated wear to the thrust bearing during startup.
In my case, I just think it's idiotic to have to depress the clutch pedal while I'm starting the engine, same as with automatic cars that make me step on the brake to start the engine even if the transmission is already in park.
I drove VW Beetles for years (which lack interlocks) and never had a problem with accidentally trying to start the car while it was in gear.
If Mazda has interlocked the starter with a relay that sensed the transmission neutral switch, I'd be far less annoyed.
In my case, I just think it's idiotic to have to depress the clutch pedal while I'm starting the engine, same as with automatic cars that make me step on the brake to start the engine even if the transmission is already in park.
I drove VW Beetles for years (which lack interlocks) and never had a problem with accidentally trying to start the car while it was in gear.
If Mazda has interlocked the starter with a relay that sensed the transmission neutral switch, I'd be far less annoyed.
well i tried sticking a pin into the clutch switch connector to bypass it and try to start it and still no go, im not getting power to the switch, is there a fuse or a relay that would need to get switched out to get power to the wires going to the switch itself?
Joined: Sep 2005
Posts: 34,416
Total Cats: 7,531
From: Chicago. (The less-murder part.)
If so, follow the steps I gave in the last post. It's probably the keyswitch, but that test will tell you for sure.
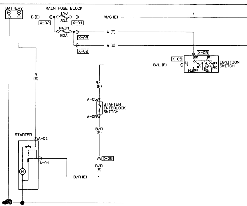
The only fuse in this path is the 80A Main fuse, and if that were blown, almost nothing would be working.
There are no relays in the path- it's really very simple. This diagram is from a '92, but it's mostly similar on the '95:
Joined: Sep 2005
Posts: 34,416
Total Cats: 7,531
From: Chicago. (The less-murder part.)
Just tap a jumper from either one to blk/blu, and so long as the clutch pedal is depressed, the starter should turn. (The engine will not actually start, as there will be no power to the ECU, injectors, etc.)
If this works, you have a bad keyswitch.
yea sorry about the confusion, I was referring to the clutch switch, anyhow I jumped the key switch and nothing happens, maybe im doing it wrong??
Also when I was jumping the clutch switch I had the key in the ignition and as soon as I jumped the connector the car turned on even though key was not in start position, and the starter wouldn't disengage until I took out the jumper is that normal?
Also when I was jumping the clutch switch I had the key in the ignition and as soon as I jumped the connector the car turned on even though key was not in start position, and the starter wouldn't disengage until I took out the jumper is that normal?
Ok guys problem solved, Joe thank you very much, your advice was perfect,
Turns out that the clutch switch was bad, i tried to jump the clutch switch wires again and it just started up without any problem, i guess when i did it the first time i didn't get a good connection, if any, but now it's good, I'll just have to keep the pin in there and remember not to start in gear not that i ever do.
Thanks very much to everyone especially Joe
Turns out that the clutch switch was bad, i tried to jump the clutch switch wires again and it just started up without any problem, i guess when i did it the first time i didn't get a good connection, if any, but now it's good, I'll just have to keep the pin in there and remember not to start in gear not that i ever do.
Thanks very much to everyone especially Joe
Joined: Sep 2005
Posts: 34,416
Total Cats: 7,531
From: Chicago. (The less-murder part.)
Glad to hear it.
I'm not sure what you're describing by "pin." On my cars, I just build a little jumper a few inches long, with one of these at either end:

(I can't recall off-hand which one is the correct gender. It's one of the two.)
I'm not sure what you're describing by "pin." On my cars, I just build a little jumper a few inches long, with one of these at either end:

(I can't recall off-hand which one is the correct gender. It's one of the two.)
Well what I did is get some really thick insulated copper wire stripped the ends just enough so they would go into the connector but not be exposed and ill wrap it with some electric tape to keep it in there and safe from the elements, your way is legit but for now my way works for me, im just oh so glad it's back up and running
Thread
Thread Starter
Forum
Replies
Last Post
elesjuan
Build Threads
7
Nov 3, 2015 01:51 PM








