Thanks for the pictures.
I am a 62 year old semi-employed (half time) college professor of mathematics who came to this site seeking a picture of the water hose routing on the BP engine. I eventually plan to turbo the car, but for now wished to cure the overheating. So far, I've replaced the two stock fans with higher flowing and thinner aftermarket fans I bought for my previous car (FD3S). I've purchased a 1.25 X 5/8 Tee from JagsThatRun.com. Its a nice looking brazed bronze piece. In investigating where to route the heater output (similar, but less expensive than the Begi racing mod) I encountered a water line I could not identify (looks like it is a bypass from the thermostat to the water pump) and was actually looking for a water hose diagram because there is not one in my factory service manual. Here, I got better! Pictures of this line being used for a turbo cooler. Thanks! I dislike finding parts of the car that I cannot identify, and am still paranoid about coolant hoses from my FD3S experience.
Until I am again employed full time, I'll probably not be doing a lot of mods to the car (2003 plain jane NB), except for reliability mods, but I really enjoy reading the tech analysis on this site.
Until I am again employed full time, I'll probably not be doing a lot of mods to the car (2003 plain jane NB), except for reliability mods, but I really enjoy reading the tech analysis on this site.
Joined: Sep 2005
Posts: 34,416
Total Cats: 7,531
From: Chicago. (The less-murder part.)
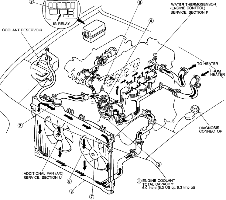
This is from the '92 manual, however it's functionally identical to the routing on the 1.8 cars with the exception of the tiny little line on the intake side (the 1.8 cars have an oil cooler here, and the source is from the back of the head rather than the intake manifold)

The water pump inlet is at the front of the engine on the left side. There are two basic routes:
1: Water is pumped up into the front of the engine, where it flows upwards and backwards, exiting at the rear of the head. It goes through the heater core, and then goes directly back into the water pump inlet through what is commonly called the "mixing manifold".
2: Water is pumped up into the front of the engine, and exits directly out the thermostat in the front of the head, goes through the radiator (top to bottom) and then goes back into the engine at the same mixing manifold mentioned above.
The fundamental deficiencies here are that:
A: when the thermostat is open, a large quantity of water goes out of it without having first passed through the engine, and
B: Water exiting the heater core goes directly back into the water pump, regardless of temperature.
Now, there was a bit of a redesign in 2001, which resulted in a head gasket that in theory should mitigate fault A, by not permitting water to flow straight up from the pump and out the thermostat. Much discussion on that here: http://forum.miata.net/vb/showthread...ghlight=gasket
A common modification on these engines is to perform what's known as a coolant re-route, where the thermostat is relocated to the rear of the head and the front outlet is blocked. This restores the flow of the system to that for which this engine was originally designed, back when it was in a FWD car. This has proven highly effective, though I am concerned that due to the aforementioned gasket redesign, it could have negative consequences for '01 and later engines.
There is much discussion of this concept here: https://www.miataturbo.net/insert-bs-here-4/peter-pan-coolant-reroute-29112/ (I caution you, most of that thread consists of us making fun of a mentally handicapped fellow who went by the name of Hyper / Peter Pan, however there is some real tech gold buried in there if you read the whole thing.
The line which you identify as a bypass from the thermostat to the water pump inlet is precisely that. It's there to keep coolant flowing around the bottom of the thermostat (where the wax pellet is) at all times, to ensure that the thermostat opens when it's supposed to.

The water pump inlet is at the front of the engine on the left side. There are two basic routes:
1: Water is pumped up into the front of the engine, where it flows upwards and backwards, exiting at the rear of the head. It goes through the heater core, and then goes directly back into the water pump inlet through what is commonly called the "mixing manifold".
2: Water is pumped up into the front of the engine, and exits directly out the thermostat in the front of the head, goes through the radiator (top to bottom) and then goes back into the engine at the same mixing manifold mentioned above.
The fundamental deficiencies here are that:
A: when the thermostat is open, a large quantity of water goes out of it without having first passed through the engine, and
B: Water exiting the heater core goes directly back into the water pump, regardless of temperature.
Now, there was a bit of a redesign in 2001, which resulted in a head gasket that in theory should mitigate fault A, by not permitting water to flow straight up from the pump and out the thermostat. Much discussion on that here: http://forum.miata.net/vb/showthread...ghlight=gasket
A common modification on these engines is to perform what's known as a coolant re-route, where the thermostat is relocated to the rear of the head and the front outlet is blocked. This restores the flow of the system to that for which this engine was originally designed, back when it was in a FWD car. This has proven highly effective, though I am concerned that due to the aforementioned gasket redesign, it could have negative consequences for '01 and later engines.
There is much discussion of this concept here: https://www.miataturbo.net/insert-bs-here-4/peter-pan-coolant-reroute-29112/ (I caution you, most of that thread consists of us making fun of a mentally handicapped fellow who went by the name of Hyper / Peter Pan, however there is some real tech gold buried in there if you read the whole thing.
The line which you identify as a bypass from the thermostat to the water pump inlet is precisely that. It's there to keep coolant flowing around the bottom of the thermostat (where the wax pellet is) at all times, to ensure that the thermostat opens when it's supposed to.
Thread
Thread Starter
Forum
Replies
Last Post







