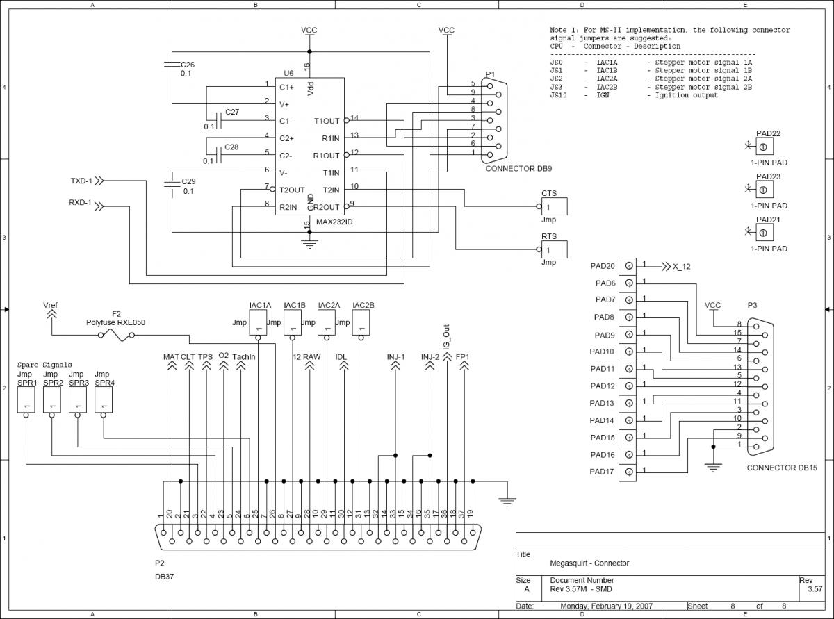
Help with db37 build
Ok so I just got my new ms2 v3.57 I had it assembled and modded by DIY autotune. I need to make my db37 harness but I can't seem to find a schematic on how to make it. Anyone have any links for the harness making of the db37 and the 15pin serial?
PIN 24 of the db37 would be your crank input.
any of the four spares, or four IACs, or spare pads can be the cam in.
They must likely wired it so pin 25 is the cam input, but I'd confim that with them as there's probably 50 combos of different ways you could mod it to work.
any of the four spares, or four IACs, or spare pads can be the cam in.
They must likely wired it so pin 25 is the cam input, but I'd confim that with them as there's probably 50 combos of different ways you could mod it to work.
Thread
Thread Starter
Forum
Replies
Last Post







