Megasquirt Water Injection Failsafe Mechanism
I am going to do a similar thing with a pressure switch except I have a MBC so I will be using it to Table switch to a more aggressive spark map.
I have had the parts for a yr now. I will finally do it in the spring. Sounds good to me!
I have had the parts for a yr now. I will finally do it in the spring. Sounds good to me!
Joined: Sep 2005
Posts: 34,416
Total Cats: 7,531
From: Chicago. (The less-murder part.)
Seems like a good start. I'm running a similar concept on the red car.
A few suggestions:
240's advice is sound regarding table switching. On mine, not only is the boost control bypassed, but the MS switches to a much more conservative ignition map.
You could add a measure of additional protection by also monitoring pressure in the line between the pump and injector. If you want to really do it right, configure the system such that the float switch has to be closed and line pressure has to be high in order to enable boost control and the more aggressively tuned ignition map.
A few suggestions:
240's advice is sound regarding table switching. On mine, not only is the boost control bypassed, but the MS switches to a much more conservative ignition map.
You could add a measure of additional protection by also monitoring pressure in the line between the pump and injector. If you want to really do it right, configure the system such that the float switch has to be closed and line pressure has to be high in order to enable boost control and the more aggressively tuned ignition map.
Thread Starter
Elite Member
iTrader: (4)
Joined: Mar 2008
Posts: 6,301
Total Cats: 697
From: Granbury, TX
Seems like a good start. I'm running a similar concept on the red car.
A few suggestions:
240's advice is sound regarding table switching. On mine, not only is the boost control bypassed, but the MS switches to a much more conservative ignition map.
You could add a measure of additional protection by also monitoring pressure in the line between the pump and injector. If you want to really do it right, configure the system such that the float switch has to be closed and line pressure has to be high in order to enable boost control and the more aggressively tuned ignition map.
A few suggestions:
240's advice is sound regarding table switching. On mine, not only is the boost control bypassed, but the MS switches to a much more conservative ignition map.
You could add a measure of additional protection by also monitoring pressure in the line between the pump and injector. If you want to really do it right, configure the system such that the float switch has to be closed and line pressure has to be high in order to enable boost control and the more aggressively tuned ignition map.
I'm planning to handle ignition timing reduction by using the squirts IAT-based timing feature. This is going to be (at least for now) an IC-less install. Therefore, the WI nozzle would go immediately post-turbo to try and vaporize as much of the water as possible prior to the IAT sensor. Based upon this, the IAT would be my indication of water-flow and how effective the cooling is.
The reason I hesitate with table switching is that at the moment my table switching is tied to the AC relay to boost idle timing when the AC is on (one of your ideas). I think I could make the table switching dual purpose without interference (since one purpose is at idle while the other is at WOT). I'd have to think about that a bit.
As for monitoring line water pressure, the "WI Pressure Switch" is that mechanism. I think it does what you describe.
Thanks for looking.
Joined: Sep 2005
Posts: 34,416
Total Cats: 7,531
From: Chicago. (The less-murder part.)
The reason I hesitate with table switching is that at the moment my table switching is tied to the AC relay to boost idle timing when the AC is on (one of your ideas).
Thread Starter
Elite Member
iTrader: (4)
Joined: Mar 2008
Posts: 6,301
Total Cats: 697
From: Granbury, TX
Ok, just be aware that even the open-element GM style IAT sensor has some latency. It's fast, but it's still made of physical matter, and thus, it has thermal mass. I would personally be hesitant to use it as a reactive safety feature in an environment where a probable failure mode consists of going from "full charge cooling" to "zero charge cooling" instantaneously.
Out of curiosity, how did that work for you? It was just a theory that I came up with, and I've never had a chance to actually test it.
Out of curiosity, how did that work for you? It was just a theory that I came up with, and I've never had a chance to actually test it.
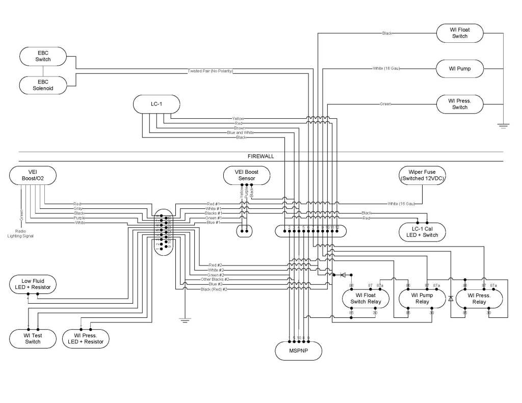
Good point on latency. Keep in mind that I do have the system setup to cut out the EBC when water pressure drops. Here are my revised schematics:



As for the table switching, I haven't used it yet (car still on jackstands). But Brain swears by it. Your other idea on using a solenoid air valve tied to AC clutch activation to bleed past the TB is a dandy too. If I were to use that, I could recover map table switching fo WI safety. Hmmm . . . . Good thing I'm a slow builder.
Hornetball do you already have your high-speed nozzle? I still have mine from the WI build in the turbo car I parted out. It is a true high-speed nozzle. I am willing to sell it since I do not think I will need it anytime soon.
Thread
Thread Starter
Forum
Replies
Last Post
Zaphod
MEGAsquirt
47
Oct 26, 2018 11:00 PM







