Notices
Race Prep Miata race-only chat.
Sponsored by:
Sponsored by: 949 Racing

wiring / what's the minimum?

Thread Tools
 
Search this Thread
 
Old May 19, 2014 | 06:46 PM
  #1  
lightw8's Avatar
Thread Starter
Junior Member
 
Joined: Sep 2011
Posts: 64
Total Cats: 0
Default wiring / what's the minimum?

Hello, I am knee deep in weeding out the harness on my 93 miata. I plan to run new wiring for lights & fans. I have eliminated power steering, ac, air bags, and hope to eliminate the stock dash in favor of a traqdash or standalone gauges (budget dependent). I will be running a MSPNP in order to eek a bit more out of my 1.6 & allow for easy engine upgrade path in the future.

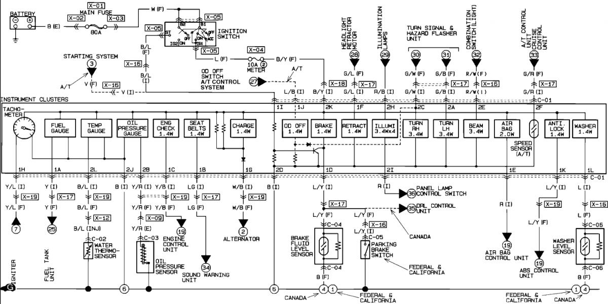
What is the minimum I need to keep to allow the car to operate properly? do i need to keep the diagnostic box that sits in the driver side engine bay? does anyone have a diagram that illustrates what plug is interfacing with which fuse or relay on the passenger side of the car (specifically the fusebox on the passenger fender).

Thanks for any advice, It is much appreciated.
Old May 19, 2014 | 06:58 PM
  #2  
Seefo's Avatar
Elite Member
iTrader: (5)
 
Joined: Dec 2010
Posts: 1,961
Total Cats: 48
From: Raleigh, NC
Default

I suggest you look for the wiring diagram for your year car. not sure there is an easy button for serious wire hacking.
Old May 19, 2014 | 07:05 PM
  #3  
lightw8's Avatar
Thread Starter
Junior Member
 
Joined: Sep 2011
Posts: 64
Total Cats: 0
Default

i have the diagram. i am already seriously hacking. the diagram is weak, imho.
Old May 19, 2014 | 07:12 PM
  #4  
FRT_Fun's Avatar
I'm a terrible person
iTrader: (19)
 
Joined: Apr 2009
Posts: 7,174
Total Cats: 180
From: Arizona
Default

What's minimum? Everything that the MS uses and nothing else. Good luck rewiring the lights, it's a nightmare.
Old May 19, 2014 | 07:22 PM
  #5  
shuiend's Avatar
mkturbo.com
iTrader: (24)
 
Joined: May 2006
Posts: 15,235
Total Cats: 1,700
From: Charleston SC
Default

Here is a good place to look for some guidance.
Old May 20, 2014 | 01:59 PM
  #6  
mcfandango's Avatar
Junior Member
iTrader: (1)
 
Joined: Aug 2008
Posts: 240
Total Cats: 5
From: Austin, TX
Default

Originally Posted by lightw8
i have the diagram. i am already seriously hacking. the diagram is weak, imho.
The factory wiring manual is great. The only problem with them I have is I wish the various connectors between the engine/front/rear/etc harnesses were done a little differently. I'd like to see the pin listed next to "X-9" or whatever connector. That would make life much quicker.
Old May 20, 2014 | 02:05 PM
  #7  
shuiend's Avatar
mkturbo.com
iTrader: (24)
 
Joined: May 2006
Posts: 15,235
Total Cats: 1,700
From: Charleston SC
Default

Originally Posted by mcfandango
The factory wiring manual is great. The only problem with them I have is I wish the various connectors between the engine/front/rear/etc harnesses were done a little differently. I'd like to see the pin listed next to "X-9" or whatever connector. That would make life much quicker.
Those do not exist, and those connectors between can vary a bit form year to year.
Old May 20, 2014 | 03:14 PM
  #8  
Savington's Avatar
Former Vendor
iTrader: (31)
 
Joined: Nov 2006
Posts: 15,442
Total Cats: 2,106
From: Sunnyvale, CA
Default

I started at the ECU plug, found every wire on a wiring diagram, and then decided whether I needed it or not. If I didn't need it, I cut it and traced it out to its termination points. Repeat ad nauseum until you know what every wire in the car does.
Old May 20, 2014 | 03:36 PM
  #9  
mcfandango's Avatar
Junior Member
iTrader: (1)
 
Joined: Aug 2008
Posts: 240
Total Cats: 5
From: Austin, TX
Default

Those what do not exist?

I have wiring diagram manuals for 1991 and 2000 models. Both matched my 1990 and 1999 respectively, although I won't argue things could have been changed slightly.
Old May 20, 2014 | 03:47 PM
  #10  
shuiend's Avatar
mkturbo.com
iTrader: (24)
 
Joined: May 2006
Posts: 15,235
Total Cats: 1,700
From: Charleston SC
Default

Originally Posted by mcfandango
Those what do not exist?

I have wiring diagram manuals for 1991 and 2000 models. Both matched my 1990 and 1999 respectively, although I won't argue things could have been changed slightly.
Wiring diagrams that show all the small different plugs between the ECU and whatever it is hooking to. For example on the 94 miata there is a bundle that goes from the ecu into 2 or 3 plugs under the dash right at the firewall. No factory diagram shows those connectors under the dash. Or the 6 wire plug for the injector harness, it is absent from the wiring diagrams. It just shows a straight wire from the ECU to the injector.
Old May 20, 2014 | 04:01 PM
  #11  
mcfandango's Avatar
Junior Member
iTrader: (1)
 
Joined: Aug 2008
Posts: 240
Total Cats: 5
From: Austin, TX
Default

We must be looking at different diagrams. The one I have has all connectors as far as I remember. All those X-# are show in the back of the Factory Manual with the color wires going to the various pins.

Attached Thumbnails wiring / what's the minimum?-2009-11-10_224518_tach.jpg  
Old May 20, 2014 | 04:12 PM
  #12  
shuiend's Avatar
mkturbo.com
iTrader: (24)
 
Joined: May 2006
Posts: 15,235
Total Cats: 1,700
From: Charleston SC
Default

These are all the wiring diagrams that I use as my reference point.
Old May 20, 2014 | 04:48 PM
  #13  
mcfandango's Avatar
Junior Member
iTrader: (1)
 
Joined: Aug 2008
Posts: 240
Total Cats: 5
From: Austin, TX
Default

Yeah. Get the Factory Manual version, those have all the connectors. I'll see if I can't find the PDF scan I have of my 2000. The 1991 has fold out pages with make it a pain to scan.
Old May 21, 2014 | 01:42 AM
  #14  
lightw8's Avatar
Thread Starter
Junior Member
 
Joined: Sep 2011
Posts: 64
Total Cats: 0
Default

Originally Posted by mcfandango
Yeah. Get the Factory Manual version, those have all the connectors. I'll see if I can't find the PDF scan I have of my 2000. The 1991 has fold out pages with make it a pain to scan.
any quick link to a factory 93 manual?

I am essentially tracing wires from various connectors to their source. I like the method of starting at the ecu and moving from it outwards v.s. my variation of starting out and moving in. I guess I will meet somewhere in the middle.
Old May 21, 2014 | 08:45 AM
  #15  
Seefo's Avatar
Elite Member
iTrader: (5)
 
Joined: Dec 2010
Posts: 1,961
Total Cats: 48
From: Raleigh, NC
Default

there are wire color differences between 99 and 00.
Old May 21, 2014 | 09:52 AM
  #16  
curly's Avatar
Cpt. Slow
iTrader: (25)
 
Joined: Oct 2005
Posts: 15,197
Total Cats: 1,398
From: Oregon City, OR
Default

I'd Start with the auxiliaries and move in, not touching the ecu. Trace back connectors like the power windows, defrost, door lights, door buzzer, radio, cc, etc.

Unfortunately, you have the heaviest 1.6 wiring harness. 92s and 93s came wired for any and all accessories iirc. I'd leave the lighting alone, sans the light bar you wanna do.
Old May 21, 2014 | 09:59 AM
  #17  
asmasm's Avatar
Senior Member
iTrader: (1)
 
Joined: Jul 2012
Posts: 792
Total Cats: 143
From: durham NC
Default

I badly want to make an windows/mobile app that shows wiring diagrams in full color, 3d representations of each plug, and allows you to search and identify wires based on keywords or the order of wire colors you see on the plug.
Old May 21, 2014 | 10:05 AM
  #18  
Dunning Kruger Affect's Avatar
Senior Member
 
Joined: Sep 2013
Posts: 923
Total Cats: 67
Default

The best of both worlds: A Windows Mobile app.
Old May 21, 2014 | 04:09 PM
  #19  
TheScaryOne's Avatar
Senior Member
iTrader: (3)
 
Joined: Dec 2011
Posts: 592
Total Cats: 47
From: Tucson, Az
Default

Originally Posted by Dunning Kruger Affect
The worst of both worlds: A Windows Mobile app.
FTFY.

I just use my cell phone to take pictures of the relevant pages from my FSM. I think I'm going to need another FSM for my drivetrain now, though.
Old May 28, 2014 | 10:18 PM
  #20  
lightw8's Avatar
Thread Starter
Junior Member
 
Joined: Sep 2011
Posts: 64
Total Cats: 0
Default

I am eliminating the AFM, purchasing a MSPNP, and basically getting rid of most of the wiring that is on the drivers side.

I will need a solution for starting the car. also need to keep the brake light switch and fuel stuff. that is a pretty tiny bundle of wires.

i also ordered new gauges, all auto meter stuff. tach, oil pressure, water temp, voltage, fuel gauge. these will be mounted in a new metal center console along with the kill switch and fire pull.



All times are GMT -4. The time now is 04:50 PM.