Supercharger Dual Throttle Project
Thread Starter
Junior Member
iTrader: (1)
Joined: Apr 2007
Posts: 471
Total Cats: 25
From: Toronto, Canada
The trick is the interface between the cables. As Godless Commie pointed out, cracking the supercharger throttle means that there is an exaggerated difference in cable travel length between idle to WOT of each throttle. He had an interface wheel made up. I drilled an oversize hole in my wheel which gave me the ability to cam it and compensate for the difference.
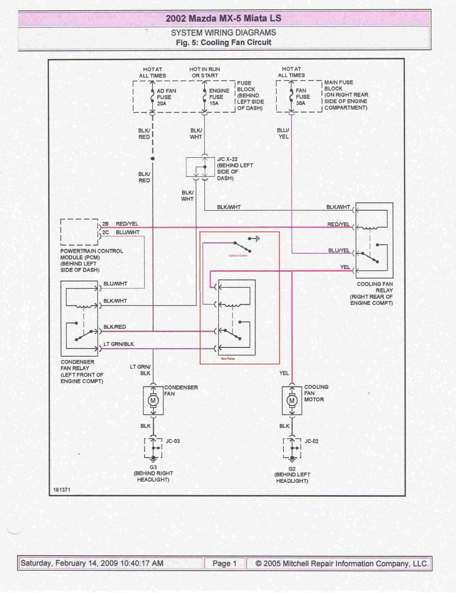
I just installed a relay powered from the underhood fuse box, and spliced into & ran the 12V signal from the primary fan as a trigger to that relay for the second fan. Second fan and the relay share a common ground, bolted to the chassis.
Five minute job, $3 relay.
The relay is in the lower right part of the picture.
Five minute job, $3 relay.
The relay is in the lower right part of the picture.
mounting the dummy throttle body to the S/C inlet and leaving the stock throttle body in it's original position, as opposed to using the second throttle body? Would using the dummy throttle body in combination with the existing air intake piping be quiet enough?
This is probably a dumb question, but thought I would ask
Jim
This is probably a dumb question, but thought I would ask
Jim
So finally got the dual tb installed on the weekend....
Running without any recirc at this point, however, I think I'm going to try one.... I'm wondering if extra boost the stock 4-rib pulleys the bypass valve will be enough.
Stock idle, is a wonderful thing. If you add load (turn the lights on, or whatever else, it doesn't dip or do anything.)
So after working with Barby's car we've modified the pulley wheel for both throttles to help make sure the offset is included. At this time, it seems to be working well with the two stock TBs that I'm running. With the new TB in the stock location, I had to adjust the idle set screw after the install. But given this was from another car, I'm not surprised. The blower TB hasn't been adjusted, but I'm curious if I need to adjust the stop a little higher or not yet.
Also I've found that I needed to add the restricter pill back into the bypass. Originally I had it removed to help with the boost/off-boost transition, back when the kit was new. I found at this point, the faster transition was hurting the near 0 vac was making it stumble a bit on grades without going into boost.
Also finding I have to relearn the car, the throttle response, and more importantly just the little things like decel are completely different.
At this point I'm thinkin' all hotsides should be dual tbs... <G>
Dave,
Running without any recirc at this point, however, I think I'm going to try one.... I'm wondering if extra boost the stock 4-rib pulleys the bypass valve will be enough.
Stock idle, is a wonderful thing. If you add load (turn the lights on, or whatever else, it doesn't dip or do anything.)
So after working with Barby's car we've modified the pulley wheel for both throttles to help make sure the offset is included. At this time, it seems to be working well with the two stock TBs that I'm running. With the new TB in the stock location, I had to adjust the idle set screw after the install. But given this was from another car, I'm not surprised. The blower TB hasn't been adjusted, but I'm curious if I need to adjust the stop a little higher or not yet.
Also I've found that I needed to add the restricter pill back into the bypass. Originally I had it removed to help with the boost/off-boost transition, back when the kit was new. I found at this point, the faster transition was hurting the near 0 vac was making it stumble a bit on grades without going into boost.
Also finding I have to relearn the car, the throttle response, and more importantly just the little things like decel are completely different.
At this point I'm thinkin' all hotsides should be dual tbs... <G>
Dave,
Thread Starter
Junior Member
iTrader: (1)
Joined: Apr 2007
Posts: 471
Total Cats: 25
From: Toronto, Canada
Also I've found that I needed to add the restricter pill back into the bypass. Originally I had it removed to help with the boost/off-boost transition, back when the kit was new. I found at this point, the faster transition was hurting the near 0 vac was making it stumble a bit on grades without going into boost.
Fix that vacuum leak on the signal modifier.
Try the signal modifier at 2" vacuum and reduce the volts.
I finally got to autox my dual throttle setup yesterday and everything ran perfectly. I forgot how much of a PITA it was having to deal with throttle dip. The car now idles perfectly and transitions much quicker. It is a pleasure to drive again.
The voltage for the clamp was set properly before, but I can throw a DVM on it and see to make sure it hasn't shifted. <G>
Dave,
Steelrat I've got a few questions for you.
1) Did you buy the extra TB pulley from the UK supplier or are you using the existing pulleys (i.e. does the TB in the stock location have an additional pulley mated to it)?
2) What did you do about a throttle cable between the two TB's? Did you get a custom made cable?
3) What do you mean when you say you modified the pulley wheel? When you mention offset are you referring to an eccentric pulley configuration (pulley axle not in its center)?
1) Did you buy the extra TB pulley from the UK supplier or are you using the existing pulleys (i.e. does the TB in the stock location have an additional pulley mated to it)?
2) What did you do about a throttle cable between the two TB's? Did you get a custom made cable?
3) What do you mean when you say you modified the pulley wheel? When you mention offset are you referring to an eccentric pulley configuration (pulley axle not in its center)?
Thread Starter
Junior Member
iTrader: (1)
Joined: Apr 2007
Posts: 471
Total Cats: 25
From: Toronto, Canada
I can answer these for the Rat
1) The pulley is a rough mockup of my redesign of the UK pulley. It is an additional pulley. Once we know that everything is good - a few miles travelled and some autoX runs we'll get a few production quality pulleys made.
2) The throttle cable is made up locally in Toronto to my dimensions and runs around the rear of the engine.
3) The modification was to machine two different radius on the same pulley face allowing the supercharger TB to be cracked open at idle and having both throttles hit WOT together.
GodlessCommie did something similar by having his second pulley be a reduced diameter. See above in this thread.
1) The pulley is a rough mockup of my redesign of the UK pulley. It is an additional pulley. Once we know that everything is good - a few miles travelled and some autoX runs we'll get a few production quality pulleys made.
2) The throttle cable is made up locally in Toronto to my dimensions and runs around the rear of the engine.
3) The modification was to machine two different radius on the same pulley face allowing the supercharger TB to be cracked open at idle and having both throttles hit WOT together.
GodlessCommie did something similar by having his second pulley be a reduced diameter. See above in this thread.
Steelrat I've got a few questions for you.
1) Did you buy the extra TB pulley from the UK supplier or are you using the existing pulleys (i.e. does the TB in the stock location have an additional pulley mated to it)?
2) What did you do about a throttle cable between the two TB's? Did you get a custom made cable?
3) What do you mean when you say you modified the pulley wheel? When you mention offset are you referring to an eccentric pulley configuration (pulley axle not in its center)?
1) Did you buy the extra TB pulley from the UK supplier or are you using the existing pulleys (i.e. does the TB in the stock location have an additional pulley mated to it)?
2) What did you do about a throttle cable between the two TB's? Did you get a custom made cable?
3) What do you mean when you say you modified the pulley wheel? When you mention offset are you referring to an eccentric pulley configuration (pulley axle not in its center)?
I have the BBK big throttle body on my SC, and that butterfly requires a lot LESS cable movement as compared to the stock pulley.
Need to check the throttle position adjustment. My blower might be set "too" open at idle from trying to get it to idle properly with the IC + one tb.
Dave,





