WTB: 90-93 HVAC control unit
Thread Starter
Joined: May 2005
Posts: 80,564
Total Cats: 4,369
From: Chantilly, VA
correct sir.
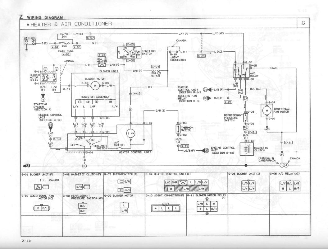
I'm having some sorts of electrical issues that are coming from (or through) that unit and I'm trying to rule things out.
soviet: you want the 6K 6" ones?
I'm having some sorts of electrical issues that are coming from (or through) that unit and I'm trying to rule things out.
soviet: you want the 6K 6" ones?
eh I was only partially serious. I already have 350# springs so 6k = 336 won't do me any good.
the hvac controls are at my parents place and I'm not going there till the weekend.
the hvac controls are at my parents place and I'm not going there till the weekend.
Hmmmmm, I have one. The levers to select temp and whatnot have slipped/dont work/ something, but it shouldnt be a hard fix. its still in the car though, I may be tempted to take it out for assistance with ms3x when the time comes?
Thread
Thread Starter
Forum
Replies
Last Post
Zaphod
MEGAsquirt
47
Oct 26, 2018 11:00 PM
StratoBlue1109
Miata parts for sale/trade
21
Sep 30, 2018 01:09 PM









