intake manifold project on the cheap-ish
Senior Member
iTrader: (10)
Joined: Feb 2007
Posts: 1,274
Total Cats: 0
From: South Eastern Wisconsin
:edit: Just found it, B16A/B18C5 apparently have the same manifold application.
B16a and ITR head have the same casting. That's why people who do poorman ITR setups go w/ a worked over B16 head w/ ITR intake manifold.
B18C1 head won't fit the ITR intake manifold. They usually go w/ Skunk manifold which is just a copy of the ITR manifold w/ B18C1 fitting flange.
There's a really decent knowledgable guy that does Skunk manifold porting (porting is pretty much what he does) on a honda forum I visit:
"well one you need to step throttle body size. I have had great results from the 68mm sized throttle body why I did a buy in on them with a company.
With a port matched plenum and runner blending its safe to say atleast 10 whp on a stock motor."
B18C1 head won't fit the ITR intake manifold. They usually go w/ Skunk manifold which is just a copy of the ITR manifold w/ B18C1 fitting flange.
There's a really decent knowledgable guy that does Skunk manifold porting (porting is pretty much what he does) on a honda forum I visit:
"well one you need to step throttle body size. I have had great results from the 68mm sized throttle body why I did a buy in on them with a company.
With a port matched plenum and runner blending its safe to say atleast 10 whp on a stock motor."
i have a honda intake mani (im not sure what honda motor its for) but the runners line up with the b6 intake manifold you would just have to lay a b6 intake gasket on it and redrill the flange. im done with 1.6 stuff look in my for sale section im selling the manifold and i took pics show the similarities.

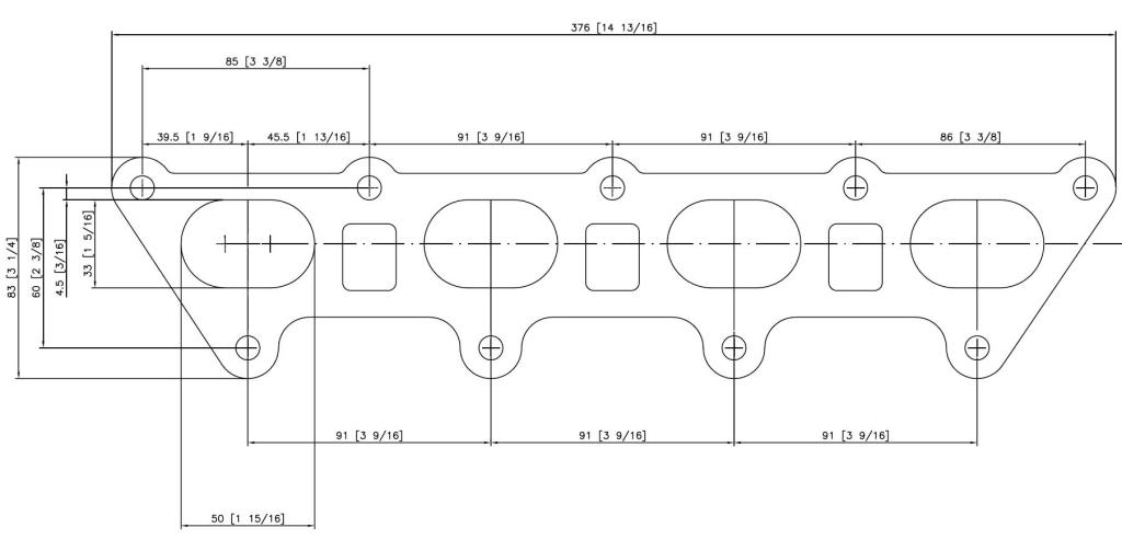
I can get the cad file for you to print out in scale if this file cannot be scaled.
I had couple of these made and they fit on head ok. You are welcome to test fit them (1/2" mild steel) to this manifold to see what needs to be done.
Thread Starter
Elite Member
iTrader: (5)
Joined: Jan 2005
Posts: 7,486
Total Cats: 372
From: Atlanta
I actually think was some porting to the flange and the head this would bolt up to a 99 head. The blue area is the runner/port opening in the manifold flange. But what's amazing is how close the bolt/stud holes are for mounting when the manifold is flopped upside down so the TB inlet is oriented correctly for the Miata. This manifold has injector ports that might need to be addressed. Also don't know what angle the 99 runners enter the head, because these come straight in. Bottom image is the FE gasket laid over the 99 flange image.




I've been working on getting a new manifold out that would be a really great part just like this but I've been really slowed down by the doubts that no one wants to pay the premium like Marc had mentioned. I have my part drawn up as a complete carbon manifold except for the flange which is aluminum and it would come in at about $600-$800 retail.
Who would pay that much in the community? Probably very few, so no one really looks to release stuff like this. Its too much risk for too little gain.
Who would pay that much in the community? Probably very few, so no one really looks to release stuff like this. Its too much risk for too little gain.
Last edited by TravisR; Oct 24, 2008 at 06:34 PM.
I've been working on getting a new manifold out that would be a really great part just like this but I've been really slowed down by the doubts that no one wants to pay the premium like Marc had mentioned. I have my part drawn up as a complete carbon manifold except for the flange which is aluminum and it would come in at about $600-$800 retail.
Who would pay that much in the community? Probably very few, so no one really looks to release stuff like this. Its too much risk for too little gain.
Who would pay that much in the community? Probably very few, so no one really looks to release stuff like this. Its too much risk for too little gain.
Seriously though. If it netted me 100rwhp gain without raising boost over the stock manifold.. I'd buy one.
Ofcourse it'll make 100 horsepower! When it comes up 80 horsepower short I'll say what the other guys that make manifolds say. You're not running high enough boost! You're not revving your car high enough to take advantage of it! Which there is a little truth too.
For the most part though you'd be lucky to make 10% off the gold flange version with flip flop paint. Which is an extra 20 whp on most cars.
I wanna see what he dyno's with on this manifold, when does this thing get bolted up?
All the ports are setup for high angle, the only reason people run them in flat is for manufacturing reasons. I flowbenched that, i can't spill all the info, but you'd be surprised what angle does the best job getting air into the chamber.
For the most part though you'd be lucky to make 10% off the gold flange version with flip flop paint. Which is an extra 20 whp on most cars.
I wanna see what he dyno's with on this manifold, when does this thing get bolted up?
All the ports are setup for high angle, the only reason people run them in flat is for manufacturing reasons. I flowbenched that, i can't spill all the info, but you'd be surprised what angle does the best job getting air into the chamber.
Thread Starter
Elite Member
iTrader: (5)
Joined: Jan 2005
Posts: 7,486
Total Cats: 372
From: Atlanta
Travis I think your caution is justified. It's far easier to sell a 600-800 dollar manifold to the guys who own $20-30k cars. As for my manifold, you have to consider what I'm coming from- a 1.6 manifold top half welded to a kia sportage manifold bottom half, bolted to a 2.0L. It was all about the cheapest, simplest thing to do.
The runners (near the ports) on this manifold are exactly the same as the stock- flat, no angle or tilt to the flange face. FE intake ports are near flat/level at flange plane don't have near the drop/angle as a 99+ head. It won't take much gain to make it a deal for the price. If I make 10% for a 30hp gain, that would be the Magnus advertised gain and exceed my expectations exponentially.
I have no idea when this will get bolted up, but I'll be sure to post the results up here. And I'm sure angles play a big role, big enough for Mazda to revise their B head and manifold.
The runners (near the ports) on this manifold are exactly the same as the stock- flat, no angle or tilt to the flange face. FE intake ports are near flat/level at flange plane don't have near the drop/angle as a 99+ head. It won't take much gain to make it a deal for the price. If I make 10% for a 30hp gain, that would be the Magnus advertised gain and exceed my expectations exponentially.
I have no idea when this will get bolted up, but I'll be sure to post the results up here. And I'm sure angles play a big role, big enough for Mazda to revise their B head and manifold.
i would love an aftermarket manifold for my bp espically with my 99 head, but all you miata guys have the intake manifold facing the wrong directions for my application. hey travis would you be able to reverse the upper plenum on one of them?
Travis I think your caution is justified. It's far easier to sell a 600-800 dollar manifold to the guys who own $20-30k cars. As for my manifold, you have to consider what I'm coming from- a 1.6 manifold top half welded to a kia sportage manifold bottom half, bolted to a 2.0L. It was all about the cheapest, simplest thing to do.
on a link, none the less!
I wasn't saying anything bad about it. The angles only make the difference of a few percent here nothing big, and I agree it is pretty damn rediculous to make 300 whp on the link. That takes mad skittles. 

Travis I think your caution is justified. It's far easier to sell a 600-800 dollar manifold to the guys who own $20-30k cars. As for my manifold, you have to consider what I'm coming from- a 1.6 manifold top half welded to a kia sportage manifold bottom half, bolted to a 2.0L. It was all about the cheapest, simplest thing to do.
The runners (near the ports) on this manifold are exactly the same as the stock- flat, no angle or tilt to the flange face. FE intake ports are near flat/level at flange plane don't have near the drop/angle as a 99+ head. It won't take much gain to make it a deal for the price. If I make 10% for a 30hp gain, that would be the Magnus advertised gain and exceed my expectations exponentially.
I have no idea when this will get bolted up, but I'll be sure to post the results up here. And I'm sure angles play a big role, big enough for Mazda to revise their B head and manifold.
The runners (near the ports) on this manifold are exactly the same as the stock- flat, no angle or tilt to the flange face. FE intake ports are near flat/level at flange plane don't have near the drop/angle as a 99+ head. It won't take much gain to make it a deal for the price. If I make 10% for a 30hp gain, that would be the Magnus advertised gain and exceed my expectations exponentially.
I have no idea when this will get bolted up, but I'll be sure to post the results up here. And I'm sure angles play a big role, big enough for Mazda to revise their B head and manifold.
Thread
Thread Starter
Forum
Replies
Last Post




?


