02 vvt diypnp no tach signal
Thread Starter
Senior Member
iTrader: (5)
Joined: May 2011
Posts: 1,139
Total Cats: 13
From: London,OH
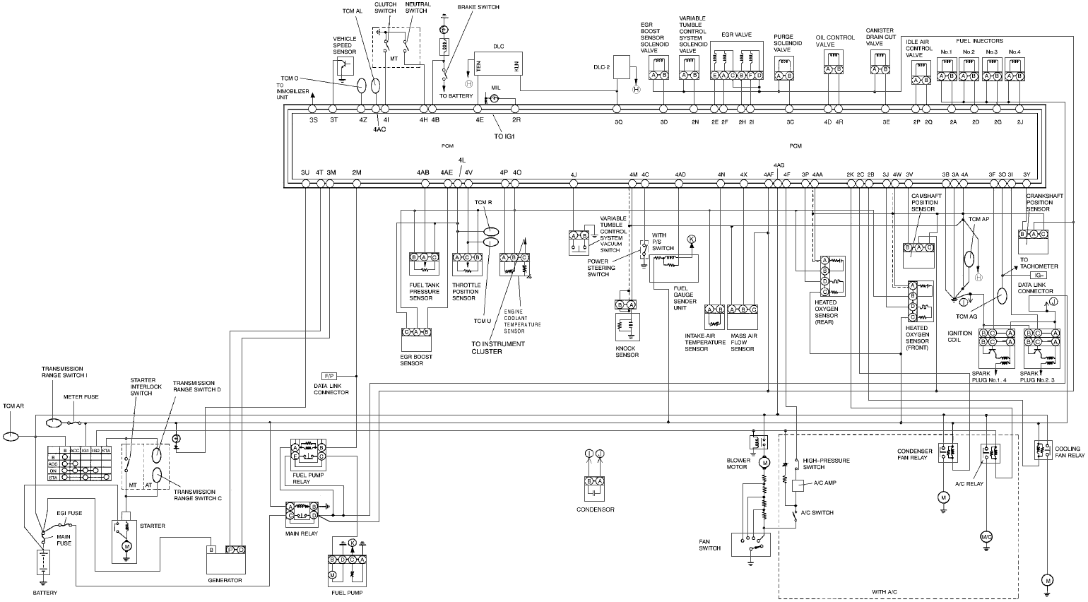
02 Miata vvt isn't getting a tach signal and the anti theft light is flashing. Using the 99-00 crank settings, checked wiring on the inside of the pnp unit and it is correct. Any ideas
Can you post a composite log of an attempted start?
Crank signal looks OK, cam looks a little noisy but is at least doing something. Can you get a longer log? That one only seems to be a few seconds of cranking.
Thread
Thread Starter
Forum
Replies
Last Post
Hot_Wheels
Miata parts for sale/trade
11
Feb 8, 2016 06:08 PM








