99,MSII,stock sensors
I'm still on the breadborad but tonight's testing looked pretty good.
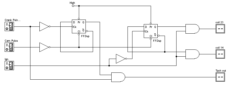
I've been working on a pair of circuits. One accepts the cam and crank signals and returns the 2nd and 4th crank pulses after the cam pulse(s). These are 180deg apart so MSII accepts them as tach pulses. The second circuit accepts the ignition and cam pulses and splits them between two outputs. The second circuit will be obsolete shortly with 4cyl wasted spark coming for MSII but I didn't discover this until recently.
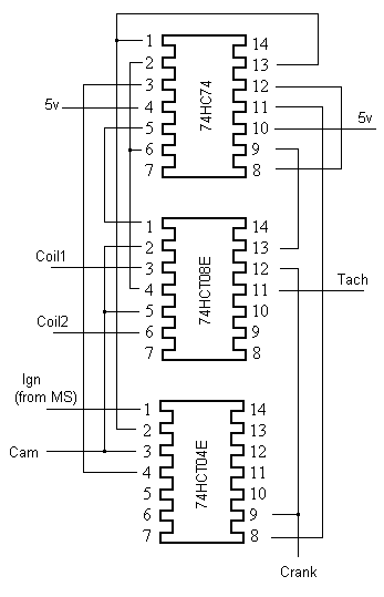
I left it out of the diagram but each chip should have a 10uF capacitor from Vcc to gnd to cut down on noise. I also isolated the cam and crank signals with transistors.
Frank
I've been working on a pair of circuits. One accepts the cam and crank signals and returns the 2nd and 4th crank pulses after the cam pulse(s). These are 180deg apart so MSII accepts them as tach pulses. The second circuit accepts the ignition and cam pulses and splits them between two outputs. The second circuit will be obsolete shortly with 4cyl wasted spark coming for MSII but I didn't discover this until recently.
I left it out of the diagram but each chip should have a 10uF capacitor from Vcc to gnd to cut down on noise. I also isolated the cam and crank signals with transistors.
Frank
No, unless in the garage with jumper wires counts? Even then I haven't been controlling spark, just reading the outputs with an O-scope. I also only ran it up to 4k rpm. The signals continued to look good, though, and MSII did indicated the correct RPM. I'll take it out on the road this weekend under fuel control but it may be 2 to 3 more weeks until I swap the coils and try fuel and spark. I still need to solder the circuit, mount it in an enclosure and find a place to put it so it won't slide behind the brake pedal. The harness work is all done, though.
I posted this now because I saw another post a few days ago where someone was looking for a similar design. I thought I'd share what I'd done so far. To be safe, I'll add the following:
EXPERIMENTAL CIRCUIT. BENCH TESTED ONLY. USE AT YOUR OWN RISK.
Frank
I posted this now because I saw another post a few days ago where someone was looking for a similar design. I thought I'd share what I'd done so far. To be safe, I'll add the following:
EXPERIMENTAL CIRCUIT. BENCH TESTED ONLY. USE AT YOUR OWN RISK.
Frank
I'm sorry, I'm not familiar with the specifics of either. The next few days are shot for me but I'll try to look into it this weekend. My niece’s BF is a Honda fanatic. His Integra is from the early/mid 90's, though. Did the sensors change much between then and now?
A D flip-flop with a square wave into the clock and !Q (not Q) wired into it's input will cut the frequency in half. Every time the clock pulse goes from 0 to 5v, the output, Q, will toggle from low to high or high to low. If you AND that output with the original signal, only every second pulse will make it through. Because the D flip-flop only changes state at the specific time the clock goes from low to high the output doesn't "hunt". One potential problem with my design is if both the reset (cam pulse) and clock (crank pulse) events happened at the same time. That only happens on the Miata when the timing belt breaks, though, so I should be OK.
Frank
A D flip-flop with a square wave into the clock and !Q (not Q) wired into it's input will cut the frequency in half. Every time the clock pulse goes from 0 to 5v, the output, Q, will toggle from low to high or high to low. If you AND that output with the original signal, only every second pulse will make it through. Because the D flip-flop only changes state at the specific time the clock goes from low to high the output doesn't "hunt". One potential problem with my design is if both the reset (cam pulse) and clock (crank pulse) events happened at the same time. That only happens on the Miata when the timing belt breaks, though, so I should be OK.
Frank
Joined: Jun 2005
Posts: 19,338
Total Cats: 574
From: Fake Virginia
I'm not familiar with the honda either... but that's the AEM unit that people like to use on miatas. It just doesn't work well with the stock 4-pulse unevenly spaced M2 crank trigger.
I'm running fuel only with it now. I have problems but the RPM signal has been reliable. I've had it up to 6k rpms and I haven't seen any spikes in the MS logs.
I have a set of GM coils from a mid 90's Saturn (free) and two VB921's. I'm still missing a .333ohm resister to make an igniter circuit. I'd like to get spark working by year end but I've got serious problems on deceleration and cold starting to fix first. I also have to get my WB installed.
The AEM solution is interesting. Up until this thread I didn't realize it was an option. Now that I know a little more about fueling, it makes since and I'm surprised it's not more popular.
I have a set of GM coils from a mid 90's Saturn (free) and two VB921's. I'm still missing a .333ohm resister to make an igniter circuit. I'd like to get spark working by year end but I've got serious problems on deceleration and cold starting to fix first. I also have to get my WB installed.
The AEM solution is interesting. Up until this thread I didn't realize it was an option. Now that I know a little more about fueling, it makes since and I'm surprised it's not more popular.
Thread
Thread Starter
Forum
Replies
Last Post
StratoBlue1109
Miata parts for sale/trade
21
Sep 30, 2018 01:09 PM







