COP on 99+ (theory only)
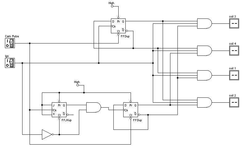
I was playing around with a digital circuit simulator and came up with a circuit that should split the signal from MSII to 4 separate coils using the cam angle sensor on 99+ Miatas.
A little background, the 99 Miata cam and crank sensors are normally high and drop to ground on an event. The ignition pulse is normally low and goes high to charge the coil. The cam angle sensor sends one pulse the first crank rotation and two pulses on the second.
I don't know if there is any real advantage to going Coil On Plug on the Miata and there doesn't seem to be an easy way to do it in hardware but here it is anyway.
This thread is for discussion only. I have not tried this.
A little background, the 99 Miata cam and crank sensors are normally high and drop to ground on an event. The ignition pulse is normally low and goes high to charge the coil. The cam angle sensor sends one pulse the first crank rotation and two pulses on the second.
I don't know if there is any real advantage to going Coil On Plug on the Miata and there doesn't seem to be an easy way to do it in hardware but here it is anyway.
This thread is for discussion only. I have not tried this.
guess I'd want to know more about what these JPrQCkKClQ things do. :-)
It might get more discussion on the other thread now, but doens't the MS code already support something like this with minimal mods? Certainly just an even-odd and gate and toggle a line high or low would work

My guess is our circuits are doing the same thing, only with mine you could likely have the car run even when you don't know where you are (with light mods) and the computer can make all the decisions. If you just "know" where you are you can toggle the line, of you could just do it on the 3rd crank trigger each time around.
Maybe my way is a waste of a precious output.
It might get more discussion on the other thread now, but doens't the MS code already support something like this with minimal mods? Certainly just an even-odd and gate and toggle a line high or low would work

My guess is our circuits are doing the same thing, only with mine you could likely have the car run even when you don't know where you are (with light mods) and the computer can make all the decisions. If you just "know" where you are you can toggle the line, of you could just do it on the 3rd crank trigger each time around.
Maybe my way is a waste of a precious output.
Joined: Sep 2005
Posts: 34,416
Total Cats: 7,531
From: Chicago. (The less-murder part.)
This whole "advanced IC" thing is weird. It's all about stringing and gates together till you get what you want.
So yeah - if the issue is solved and solved well, I guess the only reason to build something like that is for saving outputs on the MS.
If you had huge injectors which never ran over 50%, I guess you could use the same signal to give yourself independant fuel injection, as well.
So yeah - if the issue is solved and solved well, I guess the only reason to build something like that is for saving outputs on the MS.
If you had huge injectors which never ran over 50%, I guess you could use the same signal to give yourself independant fuel injection, as well.
The boxes w/ the D in the upper left are D flip/flops. http://www.play-hookey.com/digital/d...flip-flop.html
The box with a J in the upper left is a J/K flip flop.
http://www.play-hookey.com/digital/j...flip-flop.html
I'm happier working in software but I could never get standard MSII (beyond v2.3) to compile. Up until April I was trying to do everything w/ digital electronics. There were problems with that though. Noise would leak into the circuits and it would cause an occasional misfire. It would work right 99% of the time but 1% was enough to scrap the design. A friend who's an EE said I should add capacitors across the VCC and ground of the chips to filter noise but I never tried that.
The box with a J in the upper left is a J/K flip flop.
http://www.play-hookey.com/digital/j...flip-flop.html
I'm happier working in software but I could never get standard MSII (beyond v2.3) to compile. Up until April I was trying to do everything w/ digital electronics. There were problems with that though. Noise would leak into the circuits and it would cause an occasional misfire. It would work right 99% of the time but 1% was enough to scrap the design. A friend who's an EE said I should add capacitors across the VCC and ground of the chips to filter noise but I never tried that.
Oh, you actually BUILT all that? Heh... Like I said, I would only do it for saving outputs on the ECU.
The real answer are individual COPs which you bank fire anyway. It's one of those seemingly wasteful things that actually has no real drawback, unless you're going to be reving over 10k or something. :-)
I guess at redline you only get 4.2 ms per ignition, though really it's 8.4 with two channels, which is enough for a 4ms dwell time with ease. But, getting the computer working so you can start and idle on it seems a good place to put some time.
What happened with your compiling? That seems problem #1 to solve. Your friend is probably right, Caps solve a lot of issues.
The real answer are individual COPs which you bank fire anyway. It's one of those seemingly wasteful things that actually has no real drawback, unless you're going to be reving over 10k or something. :-)
I guess at redline you only get 4.2 ms per ignition, though really it's 8.4 with two channels, which is enough for a 4ms dwell time with ease. But, getting the computer working so you can start and idle on it seems a good place to put some time.
What happened with your compiling? That seems problem #1 to solve. Your friend is probably right, Caps solve a lot of issues.
Thread
Thread Starter
Forum
Replies
Last Post









