Variation in TPS each time I look
I have tried a search but searching for variability of end points in a TPS gives you everything TPS... LOL
Each time I start the car I need to calibrate the TPS. The numbers are all over the place from 120 something to 300 something. I have no clue as to why. Set it to zero now and it will be off later, not by 1 or 2 but negative something to +70%
I am going to get a 015 feeler and see if I can set it, but right not the idle screw is backed all the way out already.
Any idea where to start?
Thanks,
Mike
Each time I start the car I need to calibrate the TPS. The numbers are all over the place from 120 something to 300 something. I have no clue as to why. Set it to zero now and it will be off later, not by 1 or 2 but negative something to +70%
I am going to get a 015 feeler and see if I can set it, but right not the idle screw is backed all the way out already.
Any idea where to start?
Thanks,
Mike
Apologies in advance, but shouldn't TPS be a 0-100 scale? It is on most of the ecus i've messed with.
If it were me, and i was getting readings like that, i'd probably replace the TPS.
If it were me, and i was getting readings like that, i'd probably replace the TPS.
Loosen your TPS and tighten it back down so it's not at the extreme end with the throttle closed. See if that helps. But it sounds like the TPS could be failing.
The TPS is a simple device: Think of it as one large variable resistor.
With the throttle closed it should be at ground--full resistance to 5v--So all voltage from the harness is traveling directly back to ground and not to the MS.
As you apply throttle, you lower the resistance, and allow more power to feed into the MS. As it approaches 5v you approach 100% throttle.
By calibrating you're showing the MS your 0v and 5v points. If those values are changing, it suggests that the voltage is not being constant and possible the TPS is failing or maybe there's a bad connection.
I think that I have determined the TPS to be bad. I have an open circuit from the center pin to both outer pins both at idle and when I vary the throttle.
I have ordered a new one from Amazon which should be here tomorrow. Hopefully it will help me in tuning my idle down as well.
I have ordered a new one from Amazon which should be here tomorrow. Hopefully it will help me in tuning my idle down as well.
A little hint Mike, update your profile to show your location on your posts. That way people (like me) who MIGHT be local could sell you a TPS far cheaper than you can get it on Amazon. Plus, you might get the option to borrow it to test.
Also, if you are members of any local Miata clubs post on their websites in regards to what you need. Especially with older cars that have been modified there are a lot of used-in-good-condition parts laying around.
Also, if you are members of any local Miata clubs post on their websites in regards to what you need. Especially with older cars that have been modified there are a lot of used-in-good-condition parts laying around.
A little hint Mike, update your profile to show your location on your posts. That way people (like me) who MIGHT be local could sell you a TPS far cheaper than you can get it on Amazon. Plus, you might get the option to borrow it to test.
Also, if you are members of any local Miata clubs post on their websites in regards to what you need. Especially with older cars that have been modified there are a lot of used-in-good-condition parts laying around.
Also, if you are members of any local Miata clubs post on their websites in regards to what you need. Especially with older cars that have been modified there are a lot of used-in-good-condition parts laying around.
I usually check with my local Facebook group if I need something (I just sold my 1.6 on there). I am VP of the local Miata Club (Tri-Cities Miata Club) so I know that there is not much out there in our group. I am really the only highly modified Miata in our group.
In this case, the TPS is $100 new with Saturday shipping from Amazon Prime so not the end of the world.
Thank you for your suggestions.
Mike
Speaking of tri-cities, does your miata club run it's own autocross or do members just go to SCCA events and such? The Miata Club in our area has an autocross event that draws in excess of 75 cars every two weeks and at least a full dozen of them are forced induction.
Just checked your calendar... I see you do not. I find it hard to believe that there aren't scads of people around you that race Miatas... especially given the difference in climate.
Just checked your calendar... I see you do not. I find it hard to believe that there aren't scads of people around you that race Miatas... especially given the difference in climate.
Our club is more older folks, great people but just not into the speeding around.
I run with a bunch of locals from Knoxville, Tn to Boone, NC. Probably some of the best canyon carvers on the east coast. Most of the cars that we run with are naturally aspirated. We have found the the turbo does not help that much in the mountains. Even when I was running my 1.6 they would normally get me from apex out but I was on them in the start of each corner.
I am actually shocked at the lack of autocrosses here, but I think it is really due to the terrain. We have "The Snake" (US421 from Bristol to Mountain City) only 30 minutes away as well as "The Dragon", plus hundreds of miles of the curviest and hilly backroads that you ever did see.
Our club runs the "Zoomin' the mountains of East Tennessee" which is one of the biggest gatherings on the east coast. We are in line this year for 150+ cars. During that I am tasked with heading up our "autocross" which is entirely for fun. Last year and this year we are actually doing it in the infield of Bristol Motor Speedway. That just adds to the cool factor...LOL
I run with a bunch of locals from Knoxville, Tn to Boone, NC. Probably some of the best canyon carvers on the east coast. Most of the cars that we run with are naturally aspirated. We have found the the turbo does not help that much in the mountains. Even when I was running my 1.6 they would normally get me from apex out but I was on them in the start of each corner.
I am actually shocked at the lack of autocrosses here, but I think it is really due to the terrain. We have "The Snake" (US421 from Bristol to Mountain City) only 30 minutes away as well as "The Dragon", plus hundreds of miles of the curviest and hilly backroads that you ever did see.
Our club runs the "Zoomin' the mountains of East Tennessee" which is one of the biggest gatherings on the east coast. We are in line this year for 150+ cars. During that I am tasked with heading up our "autocross" which is entirely for fun. Last year and this year we are actually doing it in the infield of Bristol Motor Speedway. That just adds to the cool factor...LOL
HELP! New TPS did not help.
I have found that when I put power to the MS3/MSx throttle position in TS jumps to 70% or so. I set the calibration (normally at 320) after I hit "get" and it is still at 320. save that and exit and tps is at 0. turn the car off and it goes through the same cycle again and again.
When I move the throttle, the TP in tunerstudio is sluggish (more than I think that it should be)
Now I noticed that when the car is running, the TPS does not move at all when I press the pedal (it does when the car is off but ECU is on)
the wiring looks right and i assume that if it was not then it would not respond at all.
please help me!
I have found that when I put power to the MS3/MSx throttle position in TS jumps to 70% or so. I set the calibration (normally at 320) after I hit "get" and it is still at 320. save that and exit and tps is at 0. turn the car off and it goes through the same cycle again and again.
When I move the throttle, the TP in tunerstudio is sluggish (more than I think that it should be)
Now I noticed that when the car is running, the TPS does not move at all when I press the pedal (it does when the car is off but ECU is on)
the wiring looks right and i assume that if it was not then it would not respond at all.
please help me!
just to verify, on an 03... from ecu, bottom connector is 5v, middle is ground, top is signal to ecu, but i read 0.5v from the ecu. that doesnt seem right to me, but i do get readings
Mike, it is a plug and play unit correct? Did you build it yourself?
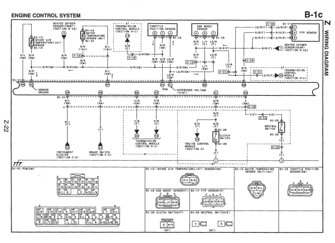
Attached is the ECU diagram I worked from.
4V is the position where the throttle position signal comes in.
Take a meter to position [A] of the throttle position sensor plug (red with light green stripe) with the megasquirt plugged in and keyswitch on. The voltage at that wire should be 5v. Also, plug in your stock intake air temperature sensor and let it dangle for now. That causes my alternator light to come on in my car and it could have something to do with your problem as well.
Attached is the ECU diagram I worked from.
4V is the position where the throttle position signal comes in.
Take a meter to position [A] of the throttle position sensor plug (red with light green stripe) with the megasquirt plugged in and keyswitch on. The voltage at that wire should be 5v. Also, plug in your stock intake air temperature sensor and let it dangle for now. That causes my alternator light to come on in my car and it could have something to do with your problem as well.






