Spark and fuel w/ MSII
I got spark working today. I planned on using GM coils and a DIY vb921 igniter module. I had a methodical bench testing plan all laid out but after hooking the outputs from my spark distribution circuit and the stock ECU to an o-scope I saw they were nearly identical. So I'm driving the stock igniter/coils w/ MSII and a D flip-flop distribution circuit.
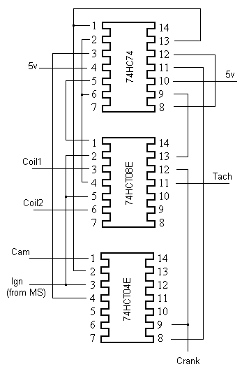
BTW, I noticed I had a small error in the diagram in my previous thread. I had reversed the cam sensor and MS ignition input labels. I'm attaching the correct one. Also, it's not on the diagram but I'm using a transistor circuit to isolate the crank and cam sensors. Not 100% sure it's needed but it doesn't hurt. I can upload a diagram if anyone is interested.
Something a little strange, the stock ECU runs a 5 ms dwell at idle that tapers off to around 3.2ms at 2k and stays there, at least w/ no load.
Frank
BTW, I noticed I had a small error in the diagram in my previous thread. I had reversed the cam sensor and MS ignition input labels. I'm attaching the correct one. Also, it's not on the diagram but I'm using a transistor circuit to isolate the crank and cam sensors. Not 100% sure it's needed but it doesn't hurt. I can upload a diagram if anyone is interested.
Something a little strange, the stock ECU runs a 5 ms dwell at idle that tapers off to around 3.2ms at 2k and stays there, at least w/ no load.
Frank
No real advantage right now. The General Purpose I/O (GPIO) board is still in beta w/ no release date. Once it comes out many cool opportunities open up but there haven't been any updates in a month.
(damn, just noticed, I have to change my signature)
(damn, just noticed, I have to change my signature)
Stock trigger wheel. The teeth on the 99 wheel aren't evenly spaced so I need the circuit I posted to ignore every other tooth. That creates a signal like a tach pulse from a distributor. If you used a 97 cam/crank sensor you could leave out the "filter" half of the circuit and simplify somewhat. Maybe even fit it on the proto section of the V3 board.
I have another schematic at home the better defines the "distributor" and "filter" halves of the circuit. I'll post that tonight when I get off work.
I have another schematic at home the better defines the "distributor" and "filter" halves of the circuit. I'll post that tonight when I get off work.
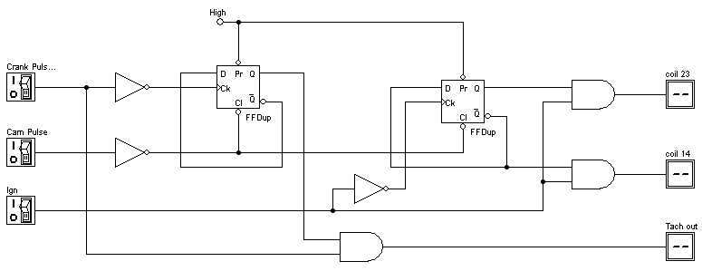
Yes, it's working with the stock sensors. The circuit is reset by a cam pulse and blocks the next crank pulse, then accepts, blocks, accepts, then a cam pulse resets again. The pulses that remain are 4 deg after TDC (odd) and act like tach pulses from a distributor. If I did it again, I'd just use the 97 cam sensor.
Yes, it's working with the stock sensors. The circuit is reset by a cam pulse and blocks the next crank pulse, then accepts, blocks, accepts, then a cam pulse resets again. The pulses that remain are 4 deg after TDC (odd) and act like tach pulses from a distributor. If I did it again, I'd just use the 97 cam sensor.
Well arga now that you've got both spark and fuel working with MSII do you feel that it would be more wise to just go ahead and buy MSII for someone that already has a '97 CAS to put in his '99? I'm getting ready to order mine and now that you have spark as well I don't know what to get anymore.
I would still go with the MSI. I don't know of an easy way of doing boost control with the MSII right now. Look over the v3 board assembly instructions. It didn't look too hard to convert a board over to MSII later if you wanted.
Now if there was something that you really wanted to see automated like VICS, WI, or nitrous control it might be worth it to go MSII and wait for the GPIO. The GPIO should be able to do much more in depth logging, too. You could watch/log EGT, fuel pressure, wheel speeds (using ABS wheel speed sensors), etc. Hell, you could have your 911 style spoiler deploy at 70mph.
Personally, I want a low boost turbo + IRTB w/ Hayabusa throttle bodies and have the GPIO control the secondary butterflies (PWM servo) for traction control.
BTW, cjernigan, thanks for refocusing me on the spark project. I had gotten bogged down in an overly complex design and I need a push.
DammitBeavis, the SM4 is a very nice unit. I haven't seen that one before. Nobody lists a price, though. That's never a good sign.
I didn't grind down the wheel because I live in California and have a smog check in 5 months. I just ordered some latching 4pdt switches from Digikey so I can swap control from the ECU to MS on the fly.
What year do you have? I see the teeth closest to TDC at 4 deg ATDC. That makes no since and is horrible for starting. A timing light is a hard tool to use wrong but I might have done it.
Now if there was something that you really wanted to see automated like VICS, WI, or nitrous control it might be worth it to go MSII and wait for the GPIO. The GPIO should be able to do much more in depth logging, too. You could watch/log EGT, fuel pressure, wheel speeds (using ABS wheel speed sensors), etc. Hell, you could have your 911 style spoiler deploy at 70mph.
Personally, I want a low boost turbo + IRTB w/ Hayabusa throttle bodies and have the GPIO control the secondary butterflies (PWM servo) for traction control.
BTW, cjernigan, thanks for refocusing me on the spark project. I had gotten bogged down in an overly complex design and I need a push.
DammitBeavis, the SM4 is a very nice unit. I haven't seen that one before. Nobody lists a price, though. That's never a good sign.
I didn't grind down the wheel because I live in California and have a smog check in 5 months. I just ordered some latching 4pdt switches from Digikey so I can swap control from the ECU to MS on the fly.
What year do you have? I see the teeth closest to TDC at 4 deg ATDC. That makes no since and is horrible for starting. A timing light is a hard tool to use wrong but I might have done it.
Mine is a '99. According to my measurements and the scope output I got from some website, the teeth on the crank wheel are at 10*BTDC and 80*BTDC.
I'm not sure where you got 4*ATDC on the crank wheel from. With #1 at TDC, there should be a trigger about 10* before the crank sensor. My ECU only uses the cam sensor to sync the cylinders, it's timing isn't critical.
For the most accurate timing you want the pulse to occur just before the crank reaches the point of the highest advance you want to run giving the ecu enough time to perform it's calculations and fire the coils. Generally 60*BTDC is considered ideal (40*max advance plus 20* for the ECU to think)
I removed the 10* marks since they wouldn't pass the sensor until after most timing events anyway. The 80* mark is pretty good though. After getting the physical timing to sync with the ECU timing it ended up being more like 75*.
I don't have to worry about emissions here though. However I have an extra crank trigger wheel, and I could swap the cam gears to get the factory signals back if I wanted to re-install the OEM ECU.
I'm not sure where you got 4*ATDC on the crank wheel from. With #1 at TDC, there should be a trigger about 10* before the crank sensor. My ECU only uses the cam sensor to sync the cylinders, it's timing isn't critical.
For the most accurate timing you want the pulse to occur just before the crank reaches the point of the highest advance you want to run giving the ecu enough time to perform it's calculations and fire the coils. Generally 60*BTDC is considered ideal (40*max advance plus 20* for the ECU to think)
I removed the 10* marks since they wouldn't pass the sensor until after most timing events anyway. The 80* mark is pretty good though. After getting the physical timing to sync with the ECU timing it ended up being more like 75*.
I don't have to worry about emissions here though. However I have an extra crank trigger wheel, and I could swap the cam gears to get the factory signals back if I wanted to re-install the OEM ECU.
Thread
Thread Starter
Forum
Replies
Last Post





